Flexible ball bearings have a number of applications, especially in robotics. They are found in rotary actuators and wave generators of harmonic drive mechanisms.

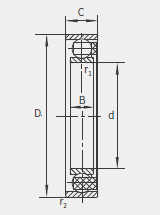
| Dimensions | Basic Load Ratings | |||||||
|---|---|---|---|---|---|---|---|---|
| Product Number | d | D | B | C | r1 min | r2 max | dyn. Cr kN | stat. C0r kN |
| HDB 02503406 | 25.070 | 33.896 | 6.350 | 6.095 | 0.15 | 0.15 | 4.75 | 3.75 |
| HDB 03004206 | 30.300 | 41.722 | 6.680 | 6.160 | 0.2 | 0.2 | 6.70 | 5.35 |
| HDB 03604907 | 35.560 | 49.073 | 8.130 | 7.240 | 0.2 | 0.2 | 9.90 | 8.40 |
| HDB 04506109 | 45.212 | 61.341 | 6.350 | 9.015 | 0.3 | 0.3 | 12.9 | 11.6 |
| HDB 06008011 | 58.928 | 79.756 | 8.640 | 11.81 | 0.3 | 0.3 | 20.2 | 19.2 |
Key Features of Flexible Ball Bearings
Flexible ball bearings have very thin sections and will transform into an oval shape when assembled by a camshaft.
- Takes the shape of mated components
- Low friction torque
- Long lifespan
- Suitable for radial loads, limited axial load capabilities
- Compact and lightweight
Customizing Flexible Ball Bearings
Flexible ball bearings do not have to be standard sizes or designs, as they can be heavily customized to excel in the application.
- Nonstandard sizes
- Nonstandard design
- Extended inner and outer rings
- Customization of torque and clearance specifications
Low Friction Torque
Once a flexible ball bearing is assembled into housing, it can achieve low friction torque. Engineering support from a design-to-manufacture supplier can work with your application engineers to lower torque and reduce backlash.
Flexible Ball Bearing Samples in 30 Days
CCTY understands that robotic engineers are working under tight timelines. Our team that can turnaround samples within 30 days when provided prints and early access to design needs. Contact us for full details.

