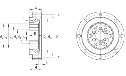
| Dimensions | Basic Load Ratings | Mounting Hole Dimensions | |||||||||||||||||
|---|---|---|---|---|---|---|---|---|---|---|---|---|---|---|---|---|---|---|---|
| Product Number | d | D | H | C | B | H2 | D1 | d1 | d2 | dyn. Cr kN | stat. C0r kN | Outer Ring dm | Mounting Hole | Inner Ring dn | Mounting Hole 1 | dL | Mounting Hole 2 | dK | Dowel Hole |
| CRBG 01006216 | 10 | 62 | 16.5 | 16 | 13.5 | 4 | 49 | 36 | 33.8 | 5.3 | 7.5 | 56 | 10-φ3.5 THRU | 27 | 6-M5 THRU | 19 | 6-M5 THRU | 15 | 3-φ3 THRU |
| CRBG 01105516 | 11 | 55 | 16.5 | 16 | 13.5 | 4 | 41.8 | 29.8 | 28.4 | 4.7 | 6.7 | 49 | 8-φ3.5 THRU | 23 | 6-M4 THRU | 17 | 6-M4 THRU | 15 | 3-φ3 THRU |
| CRBG 011055016 X1 | 11 | 55 | 16.5 | 16 | 13.5 | 4 | 41.8 | 29.8 | 28.4 | 4.7 | 6.7 | 49 | 8-φ3.5 THRU | 23 | 6-M4 THRU | 17 | 6-M4 THRU | 15 | 3-φ2.5 THRU |
| CRBG 01407016 | 14 | 70 | 16.5 | 16 | 13.5 | 4.5 | 56.5 | 42.8 | 40 | 5.8 | 9 | 64 | 12-φ3.5 THRU | 32 | 8-M6 THRU | 24 | 8-M5 THRU | 19 | 4-φ3 THRU |
| CRBG 02008518 | 20 | 85 | 18.5 | 18 | 16.5 | 3.5 | 67 | 55.3 | 52.6 | 9.6 | 15.1 | 79 | 16-φ3.5 THRU | 42 | 8-M8 THRU | 30 | 8-M6 THRU | 26 | 4-φ3 THRU |
| CRBG 02611222 | 26 | 112 | 22.5 | 21.5 | 19 | 4.5 | 90 | 74 | 68.6 | 15 | 25 | 104 | 16-φ4.5 THRU | 55 | 8-M10 THRU | 40 | 8-M8 THRU | 34 | 4-φ5 THRU |
| CRBG 03212623 | 32 | 126 | 24 | 22.5 | 21.5 | 4.5 | 105 | 86 | 81.2 | 21.3 | 36.5 | 117 | 20-φ4.5 THRU | 68 | 8-M10 THRU | 50 | 8-M10 THRU | 42 | 4-φ5 THRU |
| CRBG 03214726 | 32 | 147 | 27 | 26 | 23 | 6 | 121 | 103 | 97.6 | 23 | 42.6 | 137 | 16-φ5.5 THRU | 82 | 8-M12 THRU | 54 | 8-12 THRU | 60 | 4-φ5 THRU |
| CRBG 04015730 | 40 | 157 | 31 | 30 | 28 | 5 | 131.6 | 108 | 102.6 | 34.8 | 60.2 | 147 | 16-φ5.5 THRU | 84 | 8-M14 THRU | 60 | 8-M14 THRU | 50 | 4-φ5 THRU |
| CRBG 05221037 | 52 | 210 | 39 | 37 | 35 | 7 | 176 | 138 | 132.6 | 55.6 | 103 | 198 | 20-φ6.6 THRU | 110 | 8-M16 THRU | 80 | 8-M16 THRU | 64 | 4-φ6 THRU |

